机械零部件
当前位置:福建龙溪轴承(集团)股份有限公司 - 黄金甲体育产业 - 机械零部件 - 关节轴承 - 润滑型向心关节轴承
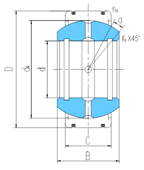
GEK...XS-2GS

产品编号:GEK...XS-2GS  25~60

滑动磨擦副:钢/钢

产品特点:外圈沿轴向剖分成两半,用锁圈固定,内、外圈材料均为轴承钢,淬火,内圈球面镀硬铬,外圈两端带有密封圈。

使用温度范围:-25℃­~+120℃


    
  

轴  承

型  号

Bearing

number

外 形 尺 寸

Dimensions          mm

额定载荷

Load ratings  kN

重 量

Weight

≈kg

d

D

B

C

dk

rs

min

r1s

min

α˚

动载荷

Dynamic

静载荷

Static

GEK25XS-2GS

25

68

40

28

50

0.6

1

19

117

590

0.707

GEK30XS-2GS

30

70

47

32

60

0.6

1

19

163

813

0.814

GEK35XS-2GS

35

80

54

38

70

0.6

1

17

226

1130

1.23

GEK40XS-2GS

40

90

64

44

80

0.6

1

19

298

1490

2

GEK45XS-2GS

45

100

72

52

90

0.6

1

17

398

1990

2.84

GEK50XS-2GS

50

110

80

58

100

1

1

17

493

2450

3.81

GEK55XS-2GS

55

125

90

64

110

1

1

19

598

2990

5.49

GEK60XS-2GS

60

135

98

72

120

1

1

17

732

3660

6.93