机械零部件
当前位置:福建龙溪轴承(集团)股份有限公司 - 黄金甲体育产业 - 机械零部件 - 关节轴承 - 推力关节轴承
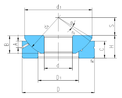
GX…S

产品编号:GX…S 10~200

滑动磨擦副: 钢/钢 

产品特点:轴、座圈材料均为轴承钢,淬火,磷化,座圈有润滑油槽油孔,滑动表面涂敷二硫化钼。

使用温度范围:-50℃­~+150℃

  

    
  

轴 承

型 号

Bearing number

外 形 尺 寸

Dimensions           mm

额定载荷

Load ratings  kN

重 量

Weight

≈kg

d

D

B

C

H

dk

S

d1

max

D1

min

A

rs,r1s

min

α˚

动载荷

Dynamic

静载荷

Static

GX10S

10

30

7.5

7

9.5

32

7

27.5

15.5

3

0.6

5

27

136

0.036

GX12S

12

35

9.5

9.3

13

38

8

32

18

4

0.6

5

37

188

0.072

GX15S

15

42

11

10.8

15

46

10

39

22.5

5

0.6

6

53

267

0.108

GX17S

17

47

11.8

11.2

16

52

11

43.5

27

5

0.6

4

61

311

0.137

GX20S

20

55

14.5

13.8

20

60

12.5

50

31

6

1

5

84

425

0.246

GX25S

25

62

16.5

16.7

22.5

68

14

58.5

34.5

6

1

5

134

672

0.415

GX30S

30

75

19

19

26

82

17.5

70

42

8

1

5

182

909

0.614

GX35S

35

90

22

20.7

28

98

22

84

50.5

8

1

5

266

1330

0.973

GX40S

40

105

27

21.5

32

114

24.5

97

59

9

1

6

357

1810

1.59

GX45S

45

120

31

25.5

36.5

128

27.5

110

67

11

1

6

486

2470

2.24

GX50S

50

130

33

30.5

42.5

139

30

120

70

10

1

6

554

2810

3.14

GX60S

60

150

37

34

45

160

35

140

84

12.5

1

6

748

3820

4.63

GX70S

70

160

42

36.5

50

176

35

153

94.5

13.5

1

3

902

4610

5.37

GX80S

80

180

43.5

38

50

197

42.5

172

107.5

14.5

1

4

1110

5700

6.91

GX100S

100

210

51

46

59

222

45

198

127

15

1.1

4

1300

6470

11

GX120S

120

230

53.5

50

64

250

52.5

220

145

16.5

1.1

3

1530

7580

14

GX140S

140

260

61

54

72

274

52.5

243

177

23

1.5

3

1820

9040

19.1

GX160S

160

290

66

58

77

313

65

271

200

23

1.5

2

2100

10440

25

GX180S

180

320

74

62

86

340

67.5

299

225

26

1.5

4

2430

12070

32.8

GX200S

200

340

80

66

87

365

70

320

247

27

1.5

1

3070

15280

35.4