福建龙溪轴承(集团)股份有限公司属漳州市属重点国有控股上市企业。现因生产需要,拟采购壹台椭圆槽加工专机,根据我司管理制度要求,将采取内部邀请招标方式确定供应商。现欢迎潜在合格的供应商前来报名,参与该项目投标。
一、投标报名人的资格要求:
1.依法注册,具有独立法人的实体注册企业,具备履行合同所必需设备和专业技术能力的制造商、经销商、代理商;
2. 近三年与本项目相同或相类似的设备销售业绩。
二、报名须知
1.报名时间:2020年12月24 日至 2020年12月30日。(上午:8:30~11:30、下午:15:00~17:00)
2. 报名方式:邮箱报名,参与投标的申请人须将公司的营业执照复件件及近三年与本项目相同或相类似的设备销售业绩加盖公章,发至采购人指定邮箱,并注明“椭圆槽加工专机采购项目报名资料、公司名称、项目联系人姓名、联系方式”。
3. 咨询电话:0596-2072080每天上午 8:00至11:00 ,下午 15:00至 17:00(北京时间,法定节假日、双休日除外 )。
三、获取招标文件时间: 2020年12月31日。
四、获取招标文件方式:采购人将以电子邮件的形式发给各投标人。
五、采购需求:详见附件
六、采购单位:福建龙溪轴承(集团)股份有限公司
联 系 人:林先生
邮箱:linyh@xuncuxt.com
地址:漳州市芗城区腾飞路388号 邮编:363000
福建龙溪轴承(集团)股份有限公司
2020年 12 月 24 日
附件:
1、采购需求:
1.1 设备名称:椭圆槽加工专机
1.2 功能、结构须满足如下要求:
椭圆槽专机配置重型直角铣头,能实现四轴三联动,可加工轴承、轴套内、外表面的空间槽,铣削加工效率高。专机设备可更换不同的定制铣刀,可涵盖了多种槽型的加工。专机设备具有工作平稳、切削速度快、可靠性高等特点。
设备主要技术参数指标:
设备主要配置:
型号节拍要求:
工艺图纸要求:
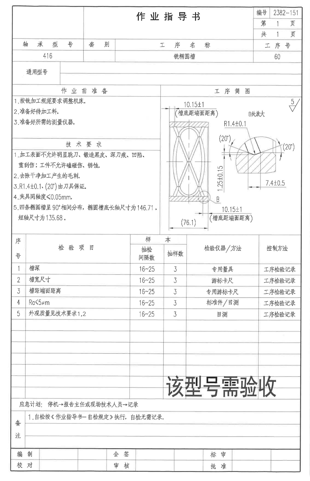
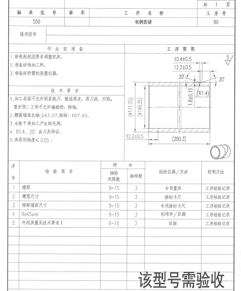
验收型号的尺寸加工要求如附图
设备验收关注点收点
(1)设备功能要求
(2)产品尺寸精度、表面粗糙度验收
(3)产品加工节拍要求
(4)主要配置要求:按设备结构要求和厂家技术要求验收。
工具、易损件、随机附件及技术资料:按供应商技术协议要求验收
2、设备技术要求总则
2.1 本技术要求为最低限度的技术要求,并未对一切技术细节做出规定,也未充分引述有关标准和规范的条文,供应商应保证提供符合或优于本技术规格书和有关工业标准的优质产品。
2.2 具备良好的人机对话功能,可全自动运行。设备节能环保、安全,操作维修方便,造型美观,运行稳定、可靠。
2.3 设备及其配套的零部件须保证是全新的,零部件、电气元件需选用国际品牌、国内驰名品牌。且所用的电气材料必须是中国强制性产品认证(CCC)的产品。
2.4 设备服务要求:供方在按上述供货范围提供设备的同时,须提供与之相应的伴随服务。包括:技术资料、安装调试、现场试运行、技术支持、技术服务、技术培训等,以及在文中未提及的、隐含的其他必须由供方提供的相关服务。
3、售后服务、培训和技术资料等
3.1 全套设备运输、现场卸货、安装调试均由供货方负责,用户配合并实行交钥匙工程。(我司给以必要配合实施)
3.2 设备到达用户所在地后,在接到用户安装通知后7个工作日内执行免费安装、调试和培训;人员培训是指设备操作培训,直到操作者会操作为止。
3.3 保修:供方须拥有专业资深维修工程师。在设备保修期内不收取零部件及其它费用(人为损坏因素除外),实行保修服务,并提供设备终身售后服务。
3.4 设备保修期满之后,应提供广泛而优惠的技术支持及备件的供应。
3.5 维修响应:接到用户通知后,8小时内做出响应,48小时内给出明确解决方案,遵循尽量在最短时间内为用户解决问题的原则,如需要,在48小时内赶到现场,一般类故障3个工作日内修复,特殊类故障7个工作日内修复。
3.6 提供壹套使用说明书。说明书满足使用、维护、保养、操作、安全、安装、调整的需要、装订整齐规范。
3.7 提供出厂合格证明、装箱清单以及其它相关资料。
*文件资料:提供中文版设备操作和维护手册、应用软件的操作和编程手册、数控系统的操作和编程手册、电气控制原理图、装配结构图、伺服系统驱动程序工装及自制易损备件图、等资料电子版及纸制版一套。(软件部分电子版即可,可根据设备及厂家进行选择)
附图:







